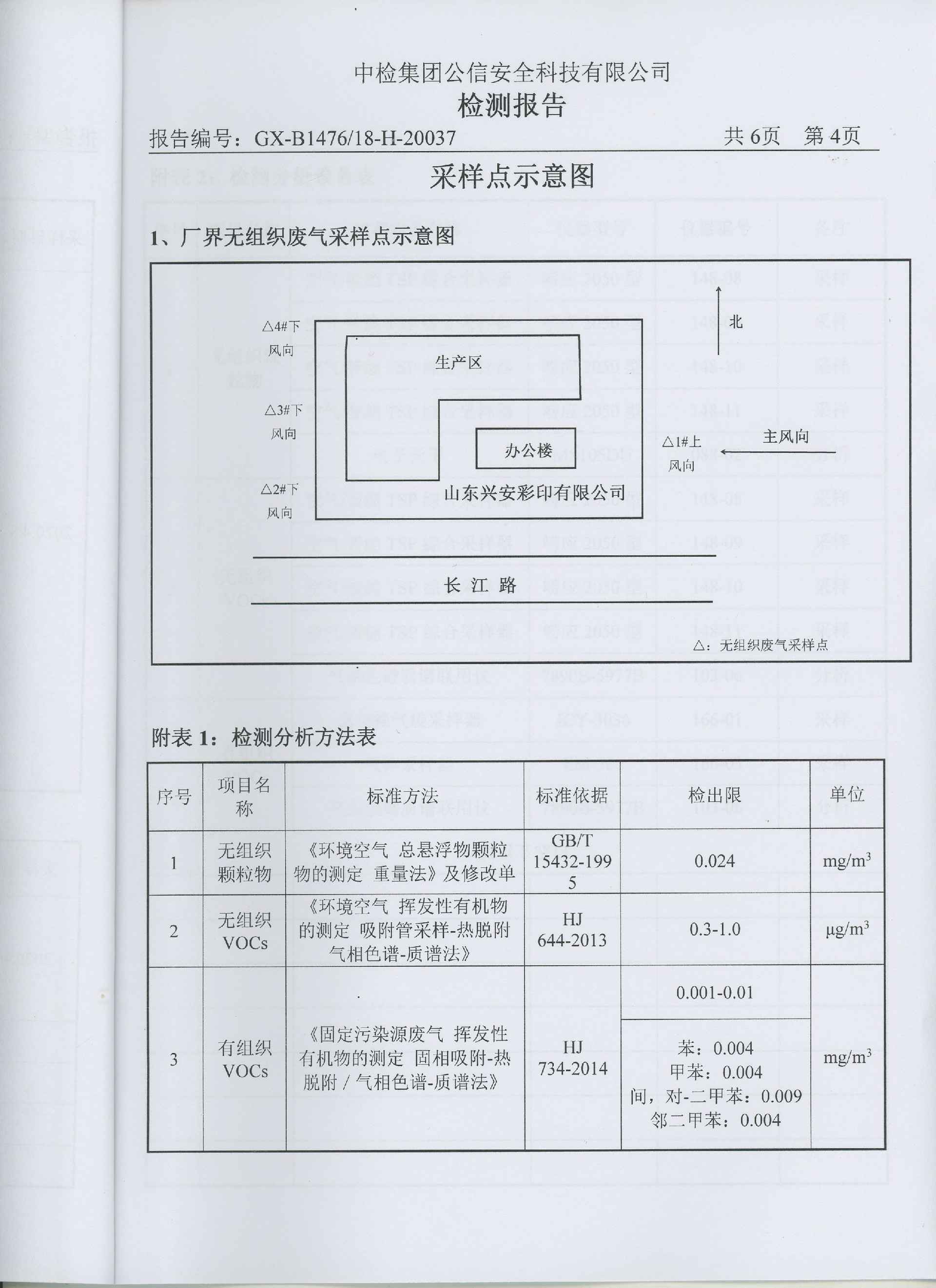
首页-尊龙网站-(中国)唯一官方网站一直把环保治理工作作为企业发展重中之重,根据市区生态环境保护局要求于2017年8月份率先上了Ⅴ0Cs环保处理设备,印刷车间废气通过收集风管,进入过滤器,将空气颗粒物过滤掉,经过光催化氧化分解剩余有机废气,同时由离子氧化进一步处理残余废气,将有机废气氧化成二氧化碳和水,通过烟囱引高排。2018年2月经有关环保专家验收合格,有机挥发物排放达标。每季度都委托枣庄公信安全科技公司对公司有机挥发物废气各项指标进行检测,下图为最新监测数据:







时间:2020-06-04 21:23:22 来源:本站 点击:178次
首页-尊龙网站-(中国)唯一官方网站一直把环保治理工作作为企业发展重中之重,根据市区生态环境保护局要求于2017年8月份率先上了Ⅴ0Cs环保处理设备,印刷车间废气通过收集风管,进入过滤器,将空气颗粒物过滤掉,经过光催化氧化分解剩余有机废气,同时由离子氧化进一步处理残余废气,将有机废气氧化成二氧化碳和水,通过烟囱引高排。2018年2月经有关环保专家验收合格,有机挥发物排放达标。每季度都委托枣庄公信安全科技公司对公司有机挥发物废气各项指标进行检测,下图为最新监测数据:







热线电话
上班时间
周一到周五
手机号码
